152903, г. Рыбинск, ул. Труда, д. 99
info@seversnabRM.ru
+7 (915) 971-14-38
Поиск
Каталог
ДЛЯ СНЕГОХОДА
ДЛЯ КВАДРОЦИКЛА
МАСЛА И СМАЗКИ
ДОП.ОБОРУДОВАНИЕ
ЭКИПИРОВКА
ВЕЛОСИПЕДЫ
ЗАПЧАСТИ ДЛЯ ТО
МАСЛА
Доставка
Оплата
Инфо
Информация для покупателя
Контакты
Оптом
0
Нет товаров
0
0
руб.
×
Каталог
ДЛЯ СНЕГОХОДА
ДЛЯ КВАДРОЦИКЛА
МАСЛА И СМАЗКИ
ДОП.ОБОРУДОВАНИЕ
ЭКИПИРОВКА
ВЕЛОСИПЕДЫ
ЗАПЧАСТИ ДЛЯ ТО
МАСЛА
Доставка
Оплата
Инфо
Информация для покупателя
Контакты
Оптом
Главная
Каталог
ДЛЯ КВАДРОЦИКЛА
Снятые с производства
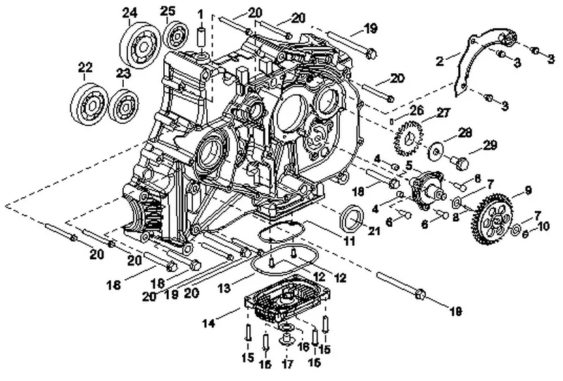
Снегоболотоход РМ-500
Двигатель (Правый картер)
Двигатель (Правый картер)
Поиск
Фото
Поз.
Артикул
Примечание
Наименование
Цена