152903, г. Рыбинск, ул. Труда, д. 99
info@seversnabRM.ru
+7 (915) 971-14-38
Поиск
Каталог
ДЛЯ СНЕГОХОДА
ДЛЯ КВАДРОЦИКЛА
МАСЛА И СМАЗКИ
ДОП.ОБОРУДОВАНИЕ
ЭКИПИРОВКА
ВЕЛОСИПЕДЫ
ЗАПЧАСТИ ДЛЯ ТО
МАСЛА
Доставка
Оплата
Инфо
Информация для покупателя
Контакты
Оптом
0
Нет товаров
0
0
руб.
×
Каталог
ДЛЯ СНЕГОХОДА
ДЛЯ КВАДРОЦИКЛА
МАСЛА И СМАЗКИ
ДОП.ОБОРУДОВАНИЕ
ЭКИПИРОВКА
ВЕЛОСИПЕДЫ
ЗАПЧАСТИ ДЛЯ ТО
МАСЛА
Доставка
Оплата
Инфо
Информация для покупателя
Контакты
Оптом
Главная
Каталог
ДЛЯ СНЕГОХОДА
Модельный ряд Тайга
Тайга Барс 850
Тайга Барс 850
Поиск
Вал ведущий и гусеница
Вариатор
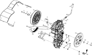
Генератор
Глушитель шума впуска С40800520
Головка цилиндра
Двигатель WEBER MPE 850 NA
Движитель L30201200
Инструментальный ящик MPE 850
Инструменты и вспомогательное оборудование WM
Капот С40700440
Картер в сборе 1
Картер в сборе 2
Картер в сборе 3
Клапанный механизм 1
Клапанный механизм 2
Клапанный механизм 3
Коробка передач С40602950-03
Корпус C40102240
Корпус С40102150
Корпус С40103700
Корпус С40103750
Корпус термостата
Крепление двигателя
Кривошипно - шатунный привод 1
Кривошипно - шатунный привод 2
Кронштейн маслоохладителя в сборе
Маслобак
Масляный нагнетальный клапан
Масляный нагнетальный насос
Механизм кривошипно-шатунный
Набор диагностических инструментов Synerject
Набор запасных деталей Synerject NA
Набор инструментов для ТО MPE 850
Насос системы охлаждения
Нижняя крышка картера в сборе
Подвеска передняя и лыжа
Рампа топливная
Регулятор напряжения
Регулятор центробежный C40600900-03
Сиденье С40101470-02
Сиденье С40103690
Система выпуска с глушителем С40400200
Система выпуска с глушителем С40400420
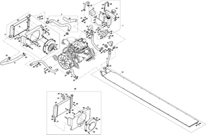
Система охлаждения C40502700
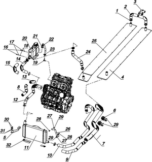
Система охлаждения С40502300
Система питания С40802000
Система питания с погружным насосом с баком топливный С40802210
Система питания с погружным насосом с баком топливный С40802230
Система смазки
Стартер ручной C40500220-02
Трансмиссия С40601700-04
Трансмиссия С40601700-07
Тросы
Управление рулевое С40301700
Установка впускного коллектора
Установка выпускного коллектора
Установка корпуса дроссельной заслонки
Установка кронштейна маслоохладителя в сборе
Установка крышки генератора
Установка крышки клапанного механизма
Установка маслоохладителя
Фильтр масляный
Шкив вариатора ведомый
Шкив вариатора ведомый С40602500
Шкив вариатора ведущий
Электрооборудование снегохода
Элементы системы управления двигателем
Наклейки для С40700440
Ресурс без названия
Вариатор
Генератор
Глушитель шума впуска С40800520
Головка цилиндра
Двигатель WEBER MPE 850 NA
Движитель L30201200
Инструментальный ящик MPE 850
Инструменты и вспомогательное оборудование WM
Капот С40700440
Картер в сборе 1
Картер в сборе 2
Картер в сборе 3
Клапанный механизм 1
Клапанный механизм 2
Клапанный механизм 3
Коробка передач С40602950-03
Корпус C40102240
Корпус С40102150
Корпус С40103700
Корпус С40103750
Корпус термостата
Крепление двигателя
Кривошипно - шатунный привод 1
Кривошипно - шатунный привод 2
Кронштейн маслоохладителя в сборе
Маслобак
Масляный нагнетальный клапан
Масляный нагнетальный насос
Механизм кривошипно-шатунный
Набор диагностических инструментов Synerject
Набор запасных деталей Synerject NA
Набор инструментов для ТО MPE 850
Насос системы охлаждения
Нижняя крышка картера в сборе
Рампа топливная
Регулятор напряжения
Регулятор центробежный C40600900-03
Сиденье С40101470-02
Система выпуска с глушителем С40400200
Система выпуска с глушителем С40400420
Система охлаждения C40502700
Система охлаждения С40502300
Система питания С40802000
Система питания с погружным насосом с баком топливный С40802210
Система питания с погружным насосом с баком топливный С40802230
Система смазки
Стартер ручной C40500220-02
Трансмиссия С40601700-04
Тросы
Управление рулевое С40301700
Установка впускного коллектора
Установка выпускного коллектора
Установка корпуса дроссельной заслонки
Установка кронштейна маслоохладителя в сборе
Установка крышки генератора
Установка крышки клапанного механизма
Установка маслоохладителя
Фильтр масляный
Шкив вариатора ведомый
Шкив вариатора ведомый С40602500
Шкив вариатора ведущий
Электрооборудование снегохода
Элементы системы управления двигателем
Наклейки для С40700440
Ресурс без названия
Остались вопросы?
Перезваниваем и отвечаем в течение часа в рабочее время
Просто
заполни форму
Имя
Ваше имя
Ваш e-mail
Сообщение